产品目录
蜜柚app下载汅api免费下载在线观看
液体流量计
蜜柚直播app新版官网安卓下载
油流量计
蜜柚直播app下载
椭圆齿轮流量计
电磁流量计
涡街流量计
蒸汽流量计
孔板流量计
旋进旋涡流量计
热式气体质量流量计
转子流量计
浮子流量计
靶式流量计
气体流量计
超声波流量计
磁翻板液位计
浮子液位计
浮球液位计
玻璃管液位计
雷达液位计
超声波液位计
投入式液位计
压力变送器
差压变送器
液位变送器
温度变送器
热电偶
热电阻
双金属温度计
推荐产品
联系蜜柚视频了app下载汅api免费下载
- 金湖蜜柚视频了app下载汅api免费下载仪表有限公司
- 联系电话:15195518515
- 在线客服:1464856260
- 电话:0517-86801009
- 传真号码:0517-86801007
- 邮箱:1464856260@qq.com
- 网址:http://www.ahdmwy.com
- 地址:江苏省金湖县理士大道61号
椭圆齿轮流量计说明书
发布时间:2021-03-13 01:43:24 点击次数:2076次
一、概述
椭圆齿轮流量计是用于管道中液体流量连续或间断测量和控制的容积式计量仪表。它具有量 程范围大、准确度高、压力损失小、粘度适应性强、能测量高温高粘液体、标定方便、安装建议等诸多优点。适用于石油、化工、化纤、交通、商贸、食品、医药卫生等部门的流量计量。
LC 系列椭圆齿轮流量计装有指针和字轮累积装置,可现场直接显示流经管道内的液体流量和 瞬时流量。在计数机构中附加发讯装置与电显仪表配套可实现累积、定量和瞬时流量远传集中控制。 加装散热器或椭轮欠齿可测量高温、高粘液体。
不同的液体(酸、碱、盐、有机溶液等)流量计主体可选择不同的材质制造。
二、结构与工作原理
椭圆齿轮流量计由流量变送器和计数机构组成。变送器与计数机构之间加装散热器,则构成高 温型流量计。送变器由装有一对椭圆齿轮转子的计量室和密封联轴器组成,计数机构则包含减速机 构、调节机构、计数器、发讯器。

计量室内由一对椭圆齿轮与盖板构成初月形空腔作为流量的计量单位。椭圆齿轮靠流量计进出 口压力差推动而旋转,从而不断地将液体经初月形空腔计量后送到出口处,每转流过的液体是初月 形空腔的四倍,由密封联轴器将椭圆齿轮转的总数以及旋转的快慢传递给计数机构或发讯器,便可 知道通过管道中液体总量和瞬时流量。

1.各种计数器功能及代号

2.型号及主要零件材质

*如有特殊需要请另行注明
三、性能(误差与压力损失曲线)

解释:1 图中各种不同液体可用精度调节装置将流量计误差调整在 0 轴上下,使误差达*佳值。
2 任何液体缩少流量量程比情况下,用精度调节装置可提高流量计精度。
四、技术参数
4.1 铸铁型、铸钢型、不锈钢型椭圆齿轮流量计

4.2 高粘型椭圆齿轮流量计

4.3 高精度椭圆齿轮流量计

五、LC-13 型椭圆齿轮流量计
LC-13 型椭圆齿轮流量变送器式由本体与发信器组成,可将管道内液体流量转换为流量脉冲 信号或模拟量信号输出,可与我厂显示仪表,或与其它二次仪表和系统配套,用于远距离计量显示, 自动控制调节,记录的需要。
5.1 技术性能
1) 适合与所有铸铁,铸钢,不锈钢流量变送器配套.
2) 发信装置:QF 型,GF 光电型
3) 允许工作电压:DC12V
4) 管道连接法兰:JB/T79~82—1994
5) 传输距离:1KM
6) 电性能精度:±1 个脉冲
7) 使用环境温度:-10~+60℃

规格及发讯参数

六、发信器
GF—ⅠGF—Ⅱ型发信器是一种高精度脉冲传感器,它 与 LC 系列椭圆齿轮流量计配套使用,可将被测介质的流 量转换为电脉冲信号,供远传使用。
6.1 技术参数
1. 工作电压:DC12/24V
2. 传输距离:1KM
3. 电性能精度:±1 个脉冲
4. 使用环境温度:-10~+65℃
5. 防爆等级:ExdⅡBT4

6.2 GF 发信器接线图

6.3 发信器与 LC 系列椭圆齿轮流量计配合脉冲当量

七、MF 系列 4—20mA
MF 流量变送器是采集流量计的流量信号转换成 4-20mA、输出给系统终端的一个转换器。

LB07 共有 5 个参数即 P00-P04,说明如下:
P00:流量计的系数(脉冲当量),单位 0.00001-9.99999 升/ 脉冲
P01:流量计的*大流量(即量程)单位 m3/h,固定二位小数
P02:流量计的*小流量(用于计算回零时间)单位 m3/h,固 定二位小数
P03:4-20mA 调零,值越大,电流越大,反之亦然
P04:4-20mA 调满,值越大,电流越大,反之亦然
调试方法
LB07 共有二个按键左键(M 键)和右键(S 键),仪表接线完毕后,屏幕会显示 LB07 然后显示 F 0.00,进入运行状态。在运行状态短按 M 键,屏幕切换到显示累计量,单位升。再短按一次 M 键,屏幕显示电流值。用户可用测试设备进行核对。再按 M 键依次循环显示以上三个值。
显示累计量时按 S 键,累计清零。此功能用于调校是否丢脉冲。
参数修改
在运行状态下,长按 S 键不松,屏幕会显示 P00 接着显示 P00 值,再短按 S 键,显示 P01、P02 依次循环。如要修改某个变量,在显示变量值后,短按一次 M 键,改变量值的*一位会闪烁显示, 可用 S 键加,再移位、再加。当该变量设定好后,短按 M 键至所有位都不闪烁时,端按 S 键,显示 下一个变量,依此修改。当所有的都修改完毕后,按住 S 键不松,直至屏幕显示 SaUEd 闪烁返回运 行状态,此时参数已保存。
接线说明
1:V+;
2:SO
3:I+
4:GND



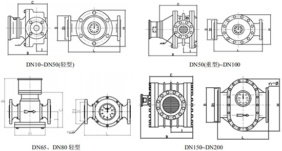
八、外形尺寸
8.1 铸铁型椭圆齿轮流量计外形尺寸
型号:LC—A、LC—NA


8.2 铸钢型外形尺寸
型号:LC—E、LC—NE、 (外形同上)

*DN10/DN50(轻型)/DN65/DN80(轻型)法兰尺寸为 1.6MPa 标准;其余口径为 6.4MPa 标准;
8.3 LC—B 型不锈钢椭圆齿轮流量计外形尺寸(单位:mm)

*高温型椭圆齿轮流量计外形尺寸:DN15~DN50(轻型),B 尺寸按上表数据加 100mm 热延伸管;DN50 (重型)~DN200,B 尺寸按上表尺寸加160mm 热延伸管,其余尺寸同上表相应尺寸。
九、椭圆齿轮流量计的安装使用
9.1 流量计前应安装配套过滤器,且配套过滤器的出口紧接流量计的入口,两者本体上箭头指向 与液体流向一致。
9.2 当被测液体含有气体时,流量计前应安装消气过滤器。
9.3 不论管路是垂直还是水平安装,但流量计中的椭圆齿轮应安装成水平位置(即表度盘应与地 面垂直)。
9.4 流量计在正确安装情况下,如果不易看清读数,可把计数器转向 180 度或 90 度均可。
9.5 新流量计在安装前先用竹棍从出口处把椭圆齿轮推几次,如发现不动,可以用柴油浸泡(避免 出厂校验后内存沉淀物)。
9.6 流量控制阀应安装在流量计进口处,开闭阀门装在出口处,使用开闭阀时缓慢启动,不要突 然开启以防“水击”现象。
9.7 在新管道上安装流量计前,管道需要冲洗,冲洗时采用直管段(替代流量计位置)防止焊渣, 杂物等进入流量计。
9.8 严禁用水校验铸铁、铸钢材质的流量计。
9.9 流量计在使用时流量大小不得超过技术要求.流量计工作在*大流量 50—80%为优。
9.0 被测液体如果具有化学腐蚀性,须选用不锈钢材质的流量计。
十、误差计算及调整
10.1 流量计的基本误差,由各检定流量点的各种测得值,分别按正式计算:(容积法)
E=(Vm—V)/V×100%
E—流量计误差(一般指累积误差)取二位有效数字.
Vm—流量计测得值
V—经修正后,流量标准装置测得值(即实际值)
由基本误差计算公式,当
Vm>V 时,流量计基本误差为”+”值,表示流量计走快了.
Vm
为了使流量计误差在基本误差限之内,往往需要进行误差调整.即通过更换装在计数器内的一 对调整齿轮(调整牙)来改变机械传动速比,从而使流量计的示值得以调整。
误差调整不能改变流量计的流量特性,仅使其特性曲线人为的处于新的坐标系中。
一般来说,在规定(或实际使用)的流量范围内,其*大与*小流量点的基本误差范围不在规定 精度的基本误差限,均可通过误差调整使其流量计基本误差合格。
已使用过的流量计,一般先用原来的调节齿轮组进行误差检定,然后根据具体的误差情况再进 行误差调整。
10.2 椭圆齿轮流量计误差调整方法(误差调整表使用说明)
1. 设计时的标准双层齿轮是 38/35,在检验时若发现流量计走快了.如+1.02~0.3 时,应将双 层齿轮 38/35 齿轮对应的零位,上移到 41/38 齿轮相对应+0.63 的位置,这样差曲线便处于新的坐 标系中,而流量计的误差被调整在+0.33~—0.33 的范围内,便达到合格要求。
2. 流量计在使用中,由于工作条件不同和变化,误差往往会变化,以至超差,只要误差范围 不超过 1%一般均可以调节.例如仪表误差下降到—0.7~+0.2,而需调换双层齿轮时,*先应看双层 齿轮是多少齿的,如果是 38/35 则按(1)法调整,若是 41/38 齿轮时,则应将该齿轮相对应的误差 +0.63 作为零位,这时应将 41/38 齿轮调换成 40/37 双层齿轮,误差便可调整到—0.5~+0.4 范围内 保证合格。
十一、常见故障原因,排除方法

十二、其他
1. 本仪表出厂前经柴油检验,请勿用水校,具体按**计量检定规程《JJG667 2010 液体容积 式流量计》实施。
2. 配套过滤器是单独产品,另计价。(本厂可以配套)
十三、订货须知
1. 名称,型号,规格,材质。
2. 介质温度,工作压力,流量范围。
3. 介质粘度或名称。
4. 有无特殊要求,如防爆。
5. 订货及收货单位名称。
6. 详细通讯地址,电话传真,邮编。
7. 结算单位,开户银行,帐号。
8. 到达站名,联系人。
9. 您需详细了解相关产品,请来信索取资料。
10. 本厂产品实行三包一年,使用期跟踪维修。
十四、型号标识

上一篇:椭圆齿轮流量计选型标准下一篇:涡轮流量计和电磁流量计的区别
