产品目录
蜜柚app下载汅api免费下载在线观看
液体流量计
蜜柚直播app新版官网安卓下载
油流量计
蜜柚直播app下载
椭圆齿轮流量计
电磁流量计
涡街流量计
蒸汽流量计
孔板流量计
旋进旋涡流量计
热式气体质量流量计
转子流量计
浮子流量计
靶式流量计
气体流量计
超声波流量计
磁翻板液位计
浮子液位计
浮球液位计
玻璃管液位计
雷达液位计
超声波液位计
投入式液位计
压力变送器
差压变送器
液位变送器
温度变送器
热电偶
热电阻
双金属温度计
推荐产品
联系蜜柚视频了app下载汅api免费下载
- 金湖蜜柚视频了app下载汅api免费下载仪表有限公司
- 联系电话:15195518515
- 在线客服:1464856260
- 电话:0517-86801009
- 传真号码:0517-86801007
- 邮箱:1464856260@qq.com
- 网址:http://www.ahdmwy.com
- 地址:江苏省金湖县理士大道61号
蜜柚直播app新版官网安卓下载量表怎么安装
发布时间:2021-09-11 01:40:29 点击次数:2016次
蜜柚直播app新版官网安卓下载量表正确选择安装位置
正确地选择安装位置和正确安装流量计都是非常重要的环节,若在安装环节失误,轻者影响测量精度,重者会影响流量计的使用寿命,甚至会损坏流量计。选择安装位置时应注意以下问题:
1.测量电*的轴线必须近似于水平方向(与水平线夹角一般为 10°以内)

2.测量管道内必须完全充满液体。
3.流量计的前方*少要有 5×D(D 为流量计内径)长度的直管段,后方*少要有 2×D(D为流量计内径)长度的直管段。

4.流体的流动方向和流量计的箭头方向一致。
5.管道内要有真空会损坏流量计的内衬,需特别注意。
6.在流量计附近应无强电磁场,仪表安装场所的磁场强度应小于 400A/m(避免安装在大型电机或变压器等设备附近)。
7.若测量管道有振动,在流量计的两边应有固定的支座。
8.测量不同介质的混合液时,混合点与流量计之间的距离*少要有 30×D(D 为流量计内径)。
9.为方便今后流量计的清洗和维护,应安装旁通管道。

10.安装聚四氟乙烯内衬的流量计时,连接两法兰的螺栓应注意均匀拧紧,否则容易压坏聚四氟乙烯内衬,*好用力矩扳手。
11.仪表应避免强烈振动和过大的温度变化,同时要防止腐蚀性液体的滴漏对仪表造成损害。
12.如果安装地点易受阳光曝晒,应当增加遮蔽设施。
13.安装传感器时,应保证测量管与工艺管道同轴。对 50mm 及以下公称通径的传感器,其轴线偏离不超过 2mm。DN65~DN150 其轴线偏离不超过 3mm,≥DN200 其轴线偏离不超过 4mm。
14.法兰之间加装的法兰垫圈,应有良好的耐腐蚀性能,该垫圈不得伸入管道内部。
15.紧固仪表螺栓、螺母,其螺纹应完整无损,润滑良好。应依据法兰尺寸、力矩大小采用力矩扳手紧固螺栓。
16.在传感器邻近管道进行焊接或火焰切割时,要采用隔离措施,防止衬里受热,且必须确认仪表未通电运行,防止损坏仪表。
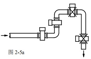
应安装在水平管道较低处和垂直向上处,避免安装在管道的*高点和垂直向下处。

应安装在管道的上升处。

在开口排放的管道安装,应安装在管道较低处。若管道落差超过 5m,在传感器的下游安装排气阀且传感器的下游应有一定的背压。

应在传感器的下游安装控制阀和切断阀,而不应安装在传感器上游。

传感器绝对不能安装在泵的进口处,应安装在泵的出口处。

在测量井内安装流量计的方式:1.入口 2.溢流管 3. 清洗孔 4.入口栅 5. 短管 6.流量计 7.出口 8.排放阀

蜜柚直播app新版官网安卓下载量表接地要求
蜜柚直播app新版官网安卓下载量表的接地是非常重要的,若接地不好,无法正常运行,传感器部分应有良好的单独接地线(铜芯截面积为 1.6mm2),接地电阻<10Ω 。
1.接地环
若与传感器连接的管道是绝缘性的,则需用接地环,应选择其材质和电*的材质一样,若被测介质是磨损性的,应选择带颈接地环。

2.接地方式
流量计在金属管道上的安装,金属管道内壁没有绝缘涂层。

流量计在塑料或内壁有绝缘涂料、油漆、内补等管道上安装时,应在传感器的两端安装接地环。

流量计在阴*保护管道上安装,防护电解腐蚀的管道一般在其壁和外壁是绝缘的,安装时注意接地环和管道上的法兰应绝缘。

